Общие вопросы

Всё о ремонте и эксплуатации BMW E21.
Аватара пользователя
Chewbacca
Гордость клуба
Сообщения: 5195
Зарегистрирован: 16 мар 2007, 21:37
Репутация: 104
Гараж: 316
Откуда: Москва
Благодарил (а): 29 раз
Поблагодарили: 254 раза

Re: етк плафон освещения бардачка?

Сообщение Chewbacca » 18 янв 2017, 08:40

Из жгута общей проводки, на перекладине, подходит 2 провода. Коричневый и красный с белой полосой
316 - 02/81
318i, Limited Edition "E" - 07/82
315 >> 328 - 10/82


VladMsk
Новичок
Сообщения: 284
Зарегистрирован: 24 дек 2016, 12:23
Репутация: 7
Гараж: 315 "черный колхоз"
Откуда: Moscow
Благодарил (а): 21 раз

люфт двери убрать как?

Сообщение VladMsk » 31 янв 2017, 12:40

собственно надо ли менять обе петли или можно штифт ремонтный какой то в петлях поменять? если штифт то нет ли номера етк? петли стоят по 2500 как то не гуманно


Аватара пользователя
Chewbacca
Гордость клуба
Сообщения: 5195
Зарегистрирован: 16 мар 2007, 21:37
Репутация: 104
Гараж: 316
Откуда: Москва
Благодарил (а): 29 раз
Поблагодарили: 254 раза

Re: люфт двери убрать как?

Сообщение Chewbacca » 31 янв 2017, 12:51

316 - 02/81
318i, Limited Edition "E" - 07/82
315 >> 328 - 10/82


Аватара пользователя
vitlia
Почётный житель
Сообщения: 538
Зарегистрирован: 28 апр 2014, 09:06
Репутация: 7
Гараж: 316 1981
Откуда: Пинск - Москва
Благодарил (а): 64 раза
Поблагодарили: 11 раз

Re: помогите разобраться с карбом

Сообщение vitlia » 31 янв 2017, 14:22

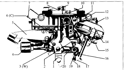
Есть ощущения, что не работает 2-я камера карбюратора 2B4. Проверил на подачу разряжения (ртом) - открывается, но плавно спускается обратно (не держит разряжение). Так и должно быть, или мембрану под замену?
Он (пневмопривод) вообще разборный?
2б.jpg
на рис. поз. 14
Е21 316 1981 продана
Е21 315 1982
Е36 compact
Е28 М21d24


Аватара пользователя
Chewbacca
Гордость клуба
Сообщения: 5195
Зарегистрирован: 16 мар 2007, 21:37
Репутация: 104
Гараж: 316
Откуда: Москва
Благодарил (а): 29 раз
Поблагодарили: 254 раза

Re: помогите разобраться с карбом

Сообщение Chewbacca » 31 янв 2017, 15:01

под замену. Мне не попадались дырявые, обычно это беспробленый узел. Могу подогнать привод, главное найти
316 - 02/81
318i, Limited Edition "E" - 07/82
315 >> 328 - 10/82


Аватара пользователя
vitlia
Почётный житель
Сообщения: 538
Зарегистрирован: 28 апр 2014, 09:06
Репутация: 7
Гараж: 316 1981
Откуда: Пинск - Москва
Благодарил (а): 64 раза
Поблагодарили: 11 раз

Re: помогите разобраться с карбом

Сообщение vitlia » 31 янв 2017, 15:13

Chewbacca писал(а):под замену. Мне не попадались дырявые, обычно это беспробленый узел. Могу подогнать привод, главное найти

Спасибо. Ответил в л.с.
Е21 316 1981 продана
Е21 315 1982
Е36 compact
Е28 М21d24


ar0
Новичок
Сообщения: 163
Зарегистрирован: 20 фев 2012, 14:37
Репутация: 1
Гараж: 316, 10/1981
Откуда: Петрозаводск
Благодарил (а): 6 раз
Поблагодарили: 2 раза

Re: помогите разобраться с карбом

Сообщение ar0 » 31 янв 2017, 15:15

Могу подогнать 2be :)


Аватара пользователя
vitlia
Почётный житель
Сообщения: 538
Зарегистрирован: 28 апр 2014, 09:06
Репутация: 7
Гараж: 316 1981
Откуда: Пинск - Москва
Благодарил (а): 64 раза
Поблагодарили: 11 раз

Re: помогите разобраться с карбом

Сообщение vitlia » 31 янв 2017, 15:26

ar0 писал(а):Могу подогнать 2be :)

Спасибо, не надо. А пневмопривод с него на 2B4 подходит?
Е21 316 1981 продана
Е21 315 1982
Е36 compact
Е28 М21d24


ar0
Новичок
Сообщения: 163
Зарегистрирован: 20 фев 2012, 14:37
Репутация: 1
Гараж: 316, 10/1981
Откуда: Петрозаводск
Благодарил (а): 6 раз
Поблагодарили: 2 раза

Re: помогите разобраться с карбом

Сообщение ar0 » 31 янв 2017, 23:12

а надо смотреть, там в одном месте пневмо, а в другом - сервопривод. если по применимости деталька подходит на 518 е28, то подходит.


VladMsk
Новичок
Сообщения: 284
Зарегистрирован: 24 дек 2016, 12:23
Репутация: 7
Гараж: 315 "черный колхоз"
Откуда: Moscow
Благодарил (а): 21 раз

Тянет влево, при торможении вправо

Сообщение VladMsk » 01 фев 2017, 14:13

Сход развал сделан однако сабдж. Есть идеи?


Аватара пользователя
Chewbacca
Гордость клуба
Сообщения: 5195
Зарегистрирован: 16 мар 2007, 21:37
Репутация: 104
Гараж: 316
Откуда: Москва
Благодарил (а): 29 раз
Поблагодарили: 254 раза

Re: Тянет влево, при торможении вправо

Сообщение Chewbacca » 01 фев 2017, 14:19

Что такое торможение вправо? Если ровно ехать и нажать на тормоз, машина уходит в сторону или нет?
316 - 02/81
318i, Limited Edition "E" - 07/82
315 >> 328 - 10/82


VladMsk
Новичок
Сообщения: 284
Зарегистрирован: 24 дек 2016, 12:23
Репутация: 7
Гараж: 315 "черный колхоз"
Откуда: Moscow
Благодарил (а): 21 раз

Re: Тянет влево, при торможении вправо

Сообщение VladMsk » 01 фев 2017, 15:27

Chewbacca писал(а):Что такое торможение вправо? Если ровно ехать и нажать на тормоз, машина уходит в сторону или нет?

В норме если еду то машину слегка уходит влево компенсируют рулем, а при торможении ее тянет вправо, компенсируют рулкм


Аватара пользователя
Chewbacca
Гордость клуба
Сообщения: 5195
Зарегистрирован: 16 мар 2007, 21:37
Репутация: 104
Гараж: 316
Откуда: Москва
Благодарил (а): 29 раз
Поблагодарили: 254 раза

Re: Тянет влево, при торможении вправо

Сообщение Chewbacca » 01 фев 2017, 17:05

Что при нажатии на педаль тормоза тянет - это к тормозам вопрос. А что по умолчанию тянет - это сложнее. Может быть начиная от плохой резины и заканчивая кривым кузовом. Если замена колес не поможет, свози машину на компьютерный 3д стенд, где по паре десятков параметров сравнят фактические характеристики со значениями из базы. НУ и это все естественно справедливо, если по состоянию подвески вопросов нет
316 - 02/81
318i, Limited Edition "E" - 07/82
315 >> 328 - 10/82


VladMsk
Новичок
Сообщения: 284
Зарегистрирован: 24 дек 2016, 12:23
Репутация: 7
Гараж: 315 "черный колхоз"
Откуда: Moscow
Благодарил (а): 21 раз

Re: Тянет влево, при торможении вправо

Сообщение VladMsk » 01 фев 2017, 19:20

Chewbacca писал(а):Что при нажатии на педаль тормоза тянет - это к тормозам вопрос. А что по умолчанию тянет - это сложнее. Может быть начиная от плохой резины и заканчивая кривым кузовом. Если замена колес не поможет, свози машину на компьютерный 3д стенд, где по паре десятков параметров сравнят фактические характеристики со значениями из базы. НУ и это все естественно справедливо, если по состоянию подвески вопросов нет

резина новая. подвеска вызывает море вопросов. еще месяц назад машину тянуло впрво например. те тянуло в смысле отпускаешь руль и машину ведет вместе с рулем. а сейчас влево. вот так. но ничего не стучит.


Аватара пользователя
R2-D2
Heroes Galaxy
Сообщения: 2342
Зарегистрирован: 27 окт 2008, 08:28
Репутация: 10
Гараж: 316
Откуда: Коломна МО
Благодарил (а): 36 раз
Поблагодарили: 46 раз
Контактная информация:

Re: Тянет влево, при торможении вправо

Сообщение R2-D2 » 02 фев 2017, 09:58

может оказаться что и то и то закисшие суппорта, перебрать - день делов, у меня тоже тянуло, но то было из за того что перебрал не качественно, сейчас отпускаю руль, жму тормоз и машина встает по прямой. Опять же про колейность не забываем на наших дорогах
Межгалактический болид с реактивным-гипер ускорителем EN-M10, c протонно-йновой топливной установкой SOLEXUS 2B-Four.



Вернуться в «Ремонт и эксплуатация»

Кто сейчас на конференции

Сейчас этот форум просматривают: нет зарегистрированных пользователей и 1 гость