Крышка запаски

Покупка и поиск запчастей. Только BMW.
Аватара пользователя
vitlia
Почётный житель
Сообщения: 538
Зарегистрирован: 28 апр 2014, 09:06
Репутация: 7
Гараж: 316 1981
Откуда: Пинск - Москва
Благодарил (а): 64 раза
Поблагодарили: 11 раз

Крышка запаски

Сообщение vitlia » 09 окт 2015, 08:26

кр зап бмв е21.JPG
Е21 316 1981 продана
Е21 315 1982
Е36 compact
Е28 М21d24


Аватара пользователя
Chewbacca
Гордость клуба
Сообщения: 5195
Зарегистрирован: 16 мар 2007, 21:37
Репутация: 104
Гараж: 316
Откуда: Москва
Благодарил (а): 29 раз
Поблагодарили: 254 раза

Re: Куплю крышку или её точные размеры.

Сообщение Chewbacca » 09 окт 2015, 08:34

Это снята с оригинала крышки или с ниши запаски? Нет отверстия центрального и выемки снизу под руку?
316 - 02/81
318i, Limited Edition "E" - 07/82
315 >> 328 - 10/82


Аватара пользователя
vitlia
Почётный житель
Сообщения: 538
Зарегистрирован: 28 апр 2014, 09:06
Репутация: 7
Гараж: 316 1981
Откуда: Пинск - Москва
Благодарил (а): 64 раза
Поблагодарили: 11 раз

Re: Куплю крышку или её точные размеры.

Сообщение vitlia » 09 окт 2015, 09:00

Chewbacca писал(а):Это снята с оригинала крышки или с ниши запаски? Нет отверстия центрального и выемки снизу под руку?

С ниши запаски. Себе по этим размерам вырезал - всё стало на место. Оригинальной крышки не видел, по этому выемки под руку не делал, но с окрыванием особых трудностей не испытываю.
Е21 316 1981 продана
Е21 315 1982
Е36 compact
Е28 М21d24


Аватара пользователя
23-ий
Гордость клуба
Сообщения: 6896
Зарегистрирован: 20 дек 2006, 20:11
Репутация: 5
Откуда: Москва- С О Ч И
Благодарил (а): 5 раз
Поблагодарили: 37 раз
Контактная информация:

Re: Куплю крышку или её точные размеры.

Сообщение 23-ий » 09 окт 2015, 10:48

Хотел написать, чтоб приехал ко мне и снял контур... а машина сейчас в Сочи.
Если терпит, то как сгоняю в Сочи так срисую. В свое время сдуру купил ее за 4000руб.
Она новая и сейчас поставляется.


Аватара пользователя
Chewbacca
Гордость клуба
Сообщения: 5195
Зарегистрирован: 16 мар 2007, 21:37
Репутация: 104
Гараж: 316
Откуда: Москва
Благодарил (а): 29 раз
Поблагодарили: 254 раза

Re: Куплю крышку или её точные размеры.

Сообщение Chewbacca » 09 окт 2015, 11:06

23-ий
Да не проблема купить, но новодел - херня. Был бы новодел такой, как они в стоке были крышки, то и вопросов бы не возникло. Лично я планирую вырезать из листа дсп нужной толщины по лекалу с оригинала и покрасить в серый цвет. Будет ближе к стоку, чем нынешний новодел оригинальный.
316 - 02/81
318i, Limited Edition "E" - 07/82
315 >> 328 - 10/82


Аватара пользователя
23-ий
Гордость клуба
Сообщения: 6896
Зарегистрирован: 20 дек 2006, 20:11
Репутация: 5
Откуда: Москва- С О Ч И
Благодарил (а): 5 раз
Поблагодарили: 37 раз
Контактная информация:

Re: Куплю крышку или её точные размеры.

Сообщение 23-ий » 09 окт 2015, 11:33

Согласен. Я думал, что как раз такая она и будет + затянутая в серый полителен и запаяная. Но обломинго.
Хотя можно и самому запаять.


Аватара пользователя
Boomer 7er
Новичок
Сообщения: 140
Зарегистрирован: 18 авг 2013, 22:52
Репутация: 0
Откуда: Moscow stadt
Поблагодарили: 1 раз

Re: Куплю крышку или её точные размеры.

Сообщение Boomer 7er » 09 окт 2015, 22:59

а она из какого материала сделана?
е21 - ретрозажигалка


Аватара пользователя
23-ий
Гордость клуба
Сообщения: 6896
Зарегистрирован: 20 дек 2006, 20:11
Репутация: 5
Откуда: Москва- С О Ч И
Благодарил (а): 5 раз
Поблагодарили: 37 раз
Контактная информация:

Re: Куплю крышку или её точные размеры.

Сообщение 23-ий » 09 окт 2015, 23:11

Boomer 7er писал(а):а она из какого материала сделана?


из двп пришла. и местами приклеили что-то типа сплена


Аватара пользователя
Chewbacca
Гордость клуба
Сообщения: 5195
Зарегистрирован: 16 мар 2007, 21:37
Репутация: 104
Гараж: 316
Откуда: Москва
Благодарил (а): 29 раз
Поблагодарили: 254 раза

Re: Куплю крышку или её точные размеры.

Сообщение Chewbacca » 09 окт 2015, 23:38

оригинал их ДСП, сам лично на своей видел в месте перелома.
316 - 02/81
318i, Limited Edition "E" - 07/82
315 >> 328 - 10/82


justunion
Новичок
Сообщения: 23
Зарегистрирован: 13 сен 2015, 18:21
Репутация: 0
Гараж: 315, рестайлинг, красная. BMW 2002 Ti
Откуда: Moscow
Благодарил (а): 8 раз

Re: Куплю крышку или её точные размеры.

Сообщение justunion » 15 окт 2015, 00:04

Спасибо за размеры. Я бы лучше поискал бы оригинал, пусть даже требующий ремонта.
С уважением, Дмитрий


justunion
Новичок
Сообщения: 23
Зарегистрирован: 13 сен 2015, 18:21
Репутация: 0
Гараж: 315, рестайлинг, красная. BMW 2002 Ti
Откуда: Moscow
Благодарил (а): 8 раз

Re: Куплю крышку или её точные размеры.

Сообщение justunion » 15 окт 2015, 02:34

23-ий писал(а):Хотел написать, чтоб приехал ко мне и снял контур... а машина сейчас в Сочи.
Если терпит, то как сгоняю в Сочи так срисую. В свое время сдуру купил ее за 4000руб.
Она новая и сейчас поставляется.

Буду весьма признателен!!!!
С уважением, Дмитрий


Аватара пользователя
23-ий
Гордость клуба
Сообщения: 6896
Зарегистрирован: 20 дек 2006, 20:11
Репутация: 5
Откуда: Москва- С О Ч И
Благодарил (а): 5 раз
Поблагодарили: 37 раз
Контактная информация:

Re: Куплю крышку или её точные размеры.

Сообщение 23-ий » 15 окт 2015, 18:32

justunion писал(а):
23-ий писал(а):Хотел написать, чтоб приехал ко мне и снял контур... а машина сейчас в Сочи.
Если терпит, то как сгоняю в Сочи так срисую. В свое время сдуру купил ее за 4000руб.
Она новая и сейчас поставляется.

Буду весьма признателен!!!!

сделаю значит))
а те размеры верхние, как контур не оч хороши. оригинальная, что пришла мне немного иная.


Аватара пользователя
azateikin
Гордость клуба
Сообщения: 3733
Зарегистрирован: 19 окт 2009, 18:21
Репутация: 7
Гараж: БМВ е36 м52 2,0
Откуда: г.Уфа т.89373476255
Благодарил (а): 18 раз
Поблагодарили: 76 раз

Re: Куплю крышку или её точные размеры.

Сообщение azateikin » 15 окт 2015, 20:13

Chewbacca писал(а):оригинал их ДСП, сам лично на своей видел в месте перелома.

я на свою бывшую из ОСП сделал,так как ДСП боится влаги и разбухает ,может быть немецкая ДСП по качеству лучше,наша не такая точно. Прослужила мне из ОСП 5 лет и благополучно уехала под Екатеринбург.
Пеугеот РУЛЕД!!!Отрулилна!Искю туринг е36.Отыскал и купил.Балдю.Хочу Ниссан Патрол


Аватара пользователя
Vspyshkin
Почётный житель
Сообщения: 710
Зарегистрирован: 09 ноя 2013, 02:02
Репутация: 9
Гараж: 318i
Откуда: Смоленск
Благодарил (а): 11 раз
Поблагодарили: 15 раз
Контактная информация:

Re: Куплю крышку или её точные размеры.

Сообщение Vspyshkin » 18 окт 2015, 00:32

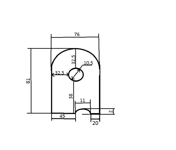
Прошу прощения, хотел на прошлой неделе размеры выложить, да времени не нашлось в пэинте рисунок набросать.
Погрешность может быть 1см максимум. Т.к. снимал их с крышки которую повело всю, и точные размеры снять было проблематично.
Размеры крышки запасного колеса.png
Последний раз редактировалось Vspyshkin 24 окт 2015, 01:25, всего редактировалось 1 раз.


justunion
Новичок
Сообщения: 23
Зарегистрирован: 13 сен 2015, 18:21
Репутация: 0
Гараж: 315, рестайлинг, красная. BMW 2002 Ti
Откуда: Moscow
Благодарил (а): 8 раз

Re: Куплю крышку или её точные размеры.

Сообщение justunion » 21 окт 2015, 00:46

Vspyshkin писал(а):Прошу прощения, хотел на прошлой неделе размеры выложить, да времени не нашлось в пэинте рисунок набросать.
Погрешность может быть 1см- 2 максимум. Т.к. снимал их с крышки которую повело всю, и точные размеры снять проблематично.

Спасибо. Сделаю из плотного картона, примерю на машине, о результатах сообщу:))
С уважением, Дмитрий



Вернуться в «Запчасти куплю»

Кто сейчас на конференции

Сейчас этот форум просматривают: нет зарегистрированных пользователей и 2 гостя