Хром зеркало. Нужен совет по установке!

Всё о ремонте и эксплуатации BMW E21.
Аватара пользователя
bes-the-bes
Почётный житель
Сообщения: 638
Зарегистрирован: 15 июн 2010, 18:51
Репутация: 0
Гараж: 323
Откуда: Россия, Сочи
Благодарил (а): 6 раз
Поблагодарили: 5 раз

Хром зеркало. Нужен совет по установке!

Сообщение bes-the-bes » 30 янв 2011, 19:38

Здравствуйте, уважаемые господа! На днях приобрел хром зеркала (не электро)

Зеркало.JPG
Зеркало.JPG (10.94 КБ) 3444 просмотра


Хочу установить на пострестайлинговые двери (зеркала пластик в нижних треугольниках стекол).
Подскажите, пожалуйста, расстояния (широтные, высотные от краев двери) и до мест, в которых необходимо будет сделать отверстия под крепеж.
Также (вдруг у кого лежит в гараже) приобрету резиновую прокладку (6), внутреннюю пластину крепления зеркала (7), крепежные элементы (3, 4, 8 ) как левые, так и правые.

Также приобрету треугольные заглушки в углах передних боковых стекол (6) (версии с хром зеркалами)
Заглушка.JPG
Заглушка.JPG (11.24 КБ) 3444 просмотра


Заранее спасибо!
320/6`79, 315`82, 323i`82, 520i`85
900


nikx
Новичок
Сообщения: 104
Зарегистрирован: 31 авг 2010, 07:10
Репутация: 0
Откуда: Казахстан, Темиртау

Re: Хром зеркало. Нужен совет по установке!

Сообщение nikx » 31 янв 2011, 07:21

Я так понимаю, что у тебя стоковые зеркала от Е21? В таком случае, отверстия у тебя в дверях уже есть. Сними внутреннюю общивку двери и увидешь крепление под зеркало. Завтра размеры и расположение отверстий скину
На реанимационном столе Акула купе BMW 316 1979 г.в.


Аватара пользователя
bes-the-bes
Почётный житель
Сообщения: 638
Зарегистрирован: 15 июн 2010, 18:51
Репутация: 0
Гараж: 323
Откуда: Россия, Сочи
Благодарил (а): 6 раз
Поблагодарили: 5 раз

Re: Хром зеркало. Нужен совет по установке!

Сообщение bes-the-bes » 31 янв 2011, 10:24

В данный момент установлены неродные зеркала, избавиться от которых одна из первоочередных задач для меня )
http://www.drive2.ru/cars/bmw/3_series/ ... es-the-bes
Двери у меня пострестайл, отверстий в дверях нет, зеркала установлены в нижних треугольниках рамок дверей.
Буду очень благодарен за размеры и расположение отверстий! Хочется сделать отверстия, максимально приближенные заводским параметрам )
320/6`79, 315`82, 323i`82, 520i`85
900


Аватара пользователя
niger
Новичок
Сообщения: 472
Зарегистрирован: 17 сен 2008, 17:54
Репутация: 1
Гараж: 318i
Откуда: Курган
Поблагодарили: 6 раз
Контактная информация:

Re: Хром зеркало. Нужен совет по установке!

Сообщение niger » 31 янв 2011, 21:39

в гороже валяются две двери до ресталенговые есле надо могу позже фотку кинуть ну или размер померить.заглушки вроде тоже были но состояние не помню.
да а авто у тебя класс молодец что продовать не стал создай тему в рразделе о нас думаю многим будет интересно.
Что себе позволяет этот NIGER


nikx
Новичок
Сообщения: 104
Зарегистрирован: 31 авг 2010, 07:10
Репутация: 0
Откуда: Казахстан, Темиртау

Re: Хром зеркало. Нужен совет по установке!

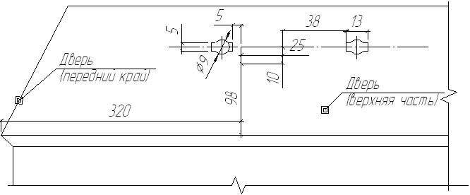
Сообщение nikx » 01 фев 2011, 09:51

Вот форма и размеры отверстий под крепление зеркал на двери. У меня купешка, но думаю эти размеры подойдут ко всем кузовам
Вложения
размеры под крепление зеркала на Е21.jpg
Размеры крепления
На реанимационном столе Акула купе BMW 316 1979 г.в.


Аватара пользователя
styxxx777
Почётный житель
Сообщения: 547
Зарегистрирован: 29 окт 2009, 01:13
Репутация: 0
Откуда: Украина Харьков
Поблагодарили: 5 раз
Контактная информация:

Re: Хром зеркало. Нужен совет по установке!

Сообщение styxxx777 » 01 фев 2011, 10:10

nikx писал(а):Вот форма и размеры отверстий под крепление зеркал на двери. У меня купешка, но думаю эти размеры подойдут ко всем кузовам

Про "все кузова" - сильно сказал! :mrgreen:


Аватара пользователя
bes-the-bes
Почётный житель
Сообщения: 638
Зарегистрирован: 15 июн 2010, 18:51
Репутация: 0
Гараж: 323
Откуда: Россия, Сочи
Благодарил (а): 6 раз
Поблагодарили: 5 раз

Re: Хром зеркало. Нужен совет по установке!

Сообщение bes-the-bes » 01 фев 2011, 11:21

Друзья, спасибо большое за помощь! :wink:
nikx, отдельное спасибо за столь подробный чертеж!
niger, если не затруднит, скинь фото для визуальной наглядности и посмотри, пожалуйста, заглушки - не хотельсь бы, чтобы ветер гулял по салону :D
Обязательно создам тему в разделе "О нас", только воплощу в реальность несколько задумок, устранив неоригинальные элементы, доставшиеся от прежнего хозяина :wink:
320/6`79, 315`82, 323i`82, 520i`85
900


Аватара пользователя
styxxx777
Почётный житель
Сообщения: 547
Зарегистрирован: 29 окт 2009, 01:13
Репутация: 0
Откуда: Украина Харьков
Поблагодарили: 5 раз
Контактная информация:

Re: Хром зеркало. Нужен совет по установке!

Сообщение styxxx777 » 01 фев 2011, 12:09

Смотрел твою машинку по ссылочке. Очень понравилась! Удачи в реализации намеченного!..


Аватара пользователя
bes-the-bes
Почётный житель
Сообщения: 638
Зарегистрирован: 15 июн 2010, 18:51
Репутация: 0
Гараж: 323
Откуда: Россия, Сочи
Благодарил (а): 6 раз
Поблагодарили: 5 раз

Re: Хром зеркало. Нужен совет по установке!

Сообщение bes-the-bes » 01 фев 2011, 13:13

styxxx777, спасибо большое за поддержку!
320/6`79, 315`82, 323i`82, 520i`85
900


Аватара пользователя
Madman
Гордость клуба
Сообщения: 2725
Зарегистрирован: 23 май 2007, 11:02
Репутация: 0
Откуда: Украина, Луцк
Благодарил (а): 9 раз
Поблагодарили: 21 раз
Контактная информация:

Re: Хром зеркало. Нужен совет по установке!

Сообщение Madman » 02 фев 2011, 23:26

там в двери в месте крепления зеркала еще усилитель есть.
BMW Power only


Аватара пользователя
niger
Новичок
Сообщения: 472
Зарегистрирован: 17 сен 2008, 17:54
Репутация: 1
Гараж: 318i
Откуда: Курган
Поблагодарили: 6 раз
Контактная информация:

Re: Хром зеркало. Нужен совет по установке!

Сообщение niger » 03 фев 2011, 16:57

вот фотка.толко у иеня были электро зеркола но я думаю разници нет.
Изображение
Что себе позволяет этот NIGER


nikx
Новичок
Сообщения: 104
Зарегистрирован: 31 авг 2010, 07:10
Репутация: 0
Откуда: Казахстан, Темиртау

Re: Хром зеркало. Нужен совет по установке!

Сообщение nikx » 04 фев 2011, 05:55

У меня дырки отличаються :( Похоже конструкторы BMW в разные годы разные крепления для зеркал делали?! Вот где им действительно нечем заняться!
На реанимационном столе Акула купе BMW 316 1979 г.в.


Аватара пользователя
styxxx777
Почётный житель
Сообщения: 547
Зарегистрирован: 29 окт 2009, 01:13
Репутация: 0
Откуда: Украина Харьков
Поблагодарили: 5 раз
Контактная информация:

Re: Хром зеркало. Нужен совет по установке!

Сообщение styxxx777 » 04 фев 2011, 11:04

nikx писал(а):У меня дырки отличаються :( Похоже конструкторы BMW в разные годы разные крепления для зеркал делали?! Вот где им действительно нечем заняться!

Вряд ли. Я вообще был уверен, что хром зеркало должно было только одно, с левой стороны. Даже вот фотки с инета у себя посмотрел - везде только слева... А тут на фото - правая дверь с дырками. Может какие неродные стояли?


Аватара пользователя
Chewbacca
Гордость клуба
Сообщения: 5195
Зарегистрирован: 16 мар 2007, 21:37
Репутация: 104
Гараж: 316
Откуда: Москва
Благодарил (а): 29 раз
Поблагодарили: 254 раза

Re: Хром зеркало. Нужен совет по установке!

Сообщение Chewbacca » 04 фев 2011, 11:21

Я так понимаю, это от комплектации зависело. Были варианты и с одним, и с двумя зеркалами
316 - 02/81
318i, Limited Edition "E" - 07/82
315 >> 328 - 10/82


Аватара пользователя
bes-the-bes
Почётный житель
Сообщения: 638
Зарегистрирован: 15 июн 2010, 18:51
Репутация: 0
Гараж: 323
Откуда: Россия, Сочи
Благодарил (а): 6 раз
Поблагодарили: 5 раз

Re: Хром зеркало. Нужен совет по установке!

Сообщение bes-the-bes » 04 фев 2011, 13:09

Варианты с одним хром зеркалом:
bmw_e21_13.jpg

bmw_e21_9.jpg


Вариант с двумя хром зеркалами:
bmw_e21_h_sst.jpg


nikx, чем у тебя дырки отличаются? Я по твоему чертежу выкройку начал делать )
320/6`79, 315`82, 323i`82, 520i`85
900



Вернуться в «Ремонт и эксплуатация»

Кто сейчас на конференции

Сейчас этот форум просматривают: нет зарегистрированных пользователей и 2 гостя